錐形鎖風閥
丁寶勤 13906276368(技術)
電話:0513-88400999 傳真:0513-88400998 郵箱:jszk@vip.163.com

概述
錐形鎖風閥廣泛用于建材、礦山、煤炭、冶金、熱電等行業。用于物料輸送的自動調節及控制,防止野風進入,確保系統輸送的暢通。
結構特點:
采用鋼材焊接而成,運行靈活、密閉性好、性能可靠,具有自動鎖風落料的功效。特別適用于無粘度的固體粉料,細小顆粒料,晶體料的輸送與調節。
Structure features
It is made from excellent steel welding. It is characterized by nimble driving, good sealing, dependable capac?ity and automatic air lock falling material. It is suitable to convey and adjust no clay liquid powder material, small grain material and crystal material.
工作原理
錐形鎖風閥利用力矩平衡的方法實現卸灰。當作用于翻板上的物料產生的力矩大于重錘搖桿產生的力矩時,閥板打開向下卸灰。一旦積灰卸去后,重錘與搖桿產生的力矩使閥板迅速關閉,實現鎖氣。落料的頻率及卸灰量依據工況需要來調整重錘位置。
Work principle
Cone air lock valve can realize to discharge dust with the help of torque balance. When the torque from mate?rial of flap plate is above hammer of hammer rocker, value plate will discharge dust downward. Once dust is discharged, the torques from hammer and rocker will close quickly and realize air lock. The frequency of falling material and the volume of discharge dust can adjust hammer position according to work condition.
性能參數(Capacity parameter)
適用介質Media | 適用溫度Temperature | 卸灰能力Dust discharge capacity |
粉塵物料Powder material | ≤350℃ | 15?65t/h |
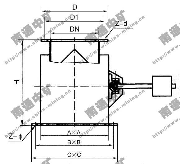
外形及安裝尺寸
DN | D | D1 | H | A×A | B×B | C×C | Z-d | Z-Φ |
200 | 300 | 260 | 400 | 300×300 | 360×360 | 400×400 | 12-Φ14 | 16-Φ14 |
250 | 350 | 310 | 450 | 350×350 | 410×410 | 450×450 | 12-Φ14 | 16-Φ14 |
300 | 400 | 365 | 500 | 400×400 | 460×460 | 500×500 | 12-Φ14 | 16-Φ14 |
350 | 450 | 415 | 550 | 450×450 | 510×510 | 450×450 | 12-Φ14 | 16-Φ14 |
400 | 500 | 465 | 600 | 500×500 | 560×560 | 500×500 | 12-Φ14 | 16-Φ14 |
500 | 600 | 565 | 700 | 600×600 | 665×665 | 610×610 | 12-Φ14 | 16-Φ14 |
使用說明
?安裝時請注意閥體上標注介質流向,兩法蘭連接時必需加密封墊片,然后均勻鎖緊螺栓。
?設備在運行時,請定期給傳動部分加潤滑油。
?若長期存放應使設備處于關閉狀態,各傳動部位加潤滑油,不允許露天存放或堆置。
Application description
?When installation, note flow direction of media of valve body. When connecting two flanges, add sealing mat. Then lock the bolt evenly.
?When the equipment is driving, add grease to driving device frequently.
?If the equipment should store in close condition, all driving part should add grease.
?Not allow to store or pile in the open air.
訂貨須知
?選用訂貨時,請參照產品樣本注明產品規格、型號及技術參數(使用溫度、設備工況、介質性質等)。
?選用訂貨時,若未注明客戶選用電裝代號的按我公司基本型配置,其基本型為普通型裝置,不帶任何有關特殊要求及相關配件。
?表格中未列規格、用于特殊介質或其它特殊要求,請與我公司經銷部、技術部聯系,可為您另行設計、制造。
Notes for order
?When placing an order, note the specification of product sample, type and technical parameter(Applied temperature, equipment condition, media character etc.)
?The specification not list is used in special media or other special request. Please contact with our sales department and technology department. It can design and manufacture in another.
?When placing an order, assort it according to our company basic assortion without any special installation. Basic type is common device without any special requirement and relative component.
?The specification not list is used in special media or other special requirement. Please contact with our sale department and technology department. We can supply the design and manufacture in another.
四、 安裝使用及維護
1、 錐形鎖風閥在使用前必須調整,尋找重錘在杠桿上的合理位置。
2、 錐形鎖風閥上部應保持一定的料柱,使之密閉防止漏風。
3、 錐形鎖風閥必須直立安裝,以保持閥門平衡裝置的正常工作。












